Wiring Isx Diagram J1939 / Diagram Of Cummins Isx Engine di 2020 - Cummins isx wiring diagram pdf.

Wiring Isx Diagram J1939 / Diagram Of Cummins Isx Engine di 2020 - Cummins isx wiring diagram pdf.. I can start the the truck. Wiring diagram index name description page aa power supply, circuit protection 1/4 3. 1 related pinout(s) sae j1708 9 pin deutsch connector pinout; There are two can sockets on the powercell so that multiple j1939 powercells and j1939 inmotion cells can be connected on the same network. Basic example of public j1939 data link the j1939 splice adapters (1024, 1025, 1026) are part of the backbone of the data link (the backbone will come in on 2 terminals and leave on 2 different terminals).

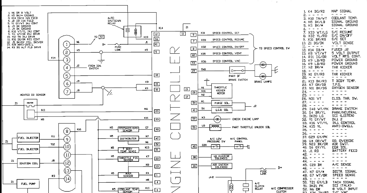
The cummins signature isx cm870 engine ecm wiring diagram provides information for the correct servicing and troubleshooting of electrical systems and is essential for all mechanics carrying out repairs or. May 16, 2021 3.5 mm wiring diagram : Basic example of public j1939 data link the j1939 splice adapters (1024, 1025, 1026) are part of the backbone of the data link (the backbone will come in on 2 terminals and leave on 2 different terminals). Cummins isx ecm wiring diagram international ecm wiring diagram. The ecm is located on the intake side of the engine, near the front.

Wiring Isx Diagram J1939 Frieghtlinercummin - Wiring Diagram Schemas
Wiring Isx Diagram J1939 Frieghtlinercummin - Wiring Diagram Schemas from www.fromoldbooks.org
I need a wiring and pinout diagram for a cummins isx in a 2008 kenworth t800. Wiring diagram index name description page aa power supply, circuit protection 1/4 3. For older vehicles without j1939 refer to wiring diagrams on telmausa.com. Figure 1 j1939 wiring diagram and schematic examples a. Working for a major fleet as a technician instructor i have. Wiring diagram index name description page aa power distribution frc 1/2 3. The sae j1939 data link wiring and the sae j1939 devices vary by oem options. Use sae j1939 compliant wiring.

Figure 1 j1939 wiring diagram and schematic examples a.

Tl103037 universal wiring guideline j1939 page 9 of 15_____31jan18jh section 4 wiring harness installation procedure 4.1. J1939 (shield/drain) j1939 (l) data link j1939 (h) data link ecm supply (+). Telma blk wire to a good chassis ground point telma grn/yel wire to the j1939 diagnostic connector can lo grn wire (position d*) telma yel/grn wire to the j1939 diagnostic connector can hi yel wire (position c*) * check wiring diagram for your vehicle. Cummins isx cm870 wiring diagram uncomparable 13 furthermore cummins fuel flow chart 1984u0027 115hp evinrude v4 flat head page 1 iboats share this post. Wiring diagram index name description page aa power supply, circuit protection 1/4 3. The cummins isx cm871 engine ecm wiring diagram provides information for the correct servicing and troubleshooting of electrical systems and is essential for all mechanics carrying out repairs or maintenance on the cummins isx engine with cm871 control system. 70 unsurpassed image of cummins isx cm870 wiring diagram place the shift lever in neutral. I have an 08 kenworth t800 with a cummins isx throwing a j1939 fault code. Transmissions will either be j1708/j1587 or j1939, depending on the model year of the coach. May 16, 2021 3.5 mm wiring diagram : I need a wiring and pinout diagram for a cummins isx in a 2008 kenworth t800. Each component ought to be set and connected with other parts in specific way. Relay box installation (all applications) mount the relay box on the inside of the frame rail using the brackets tib01017 or mount directly.

There are two can sockets on the powercell so that multiple j1939 powercells and j1939 inmotion cells can be connected on the same network. Figure 1 j1939 wiring diagram and schematic examples a. May 16, 2021 3.5 mm wiring diagram : Relay box installation (all applications) mount the relay box on the inside of the frame rail using the brackets tib01017 or mount directly. Checking continuity and bandwidth of j1939/h1939 • continuity and bandwidth tests should be conducted with all modules and 120ohm terminating resistors removed • install a jumper wire across both legs of the network similar to the diagram below.

N14 Cummins Ecm Wiring Diagram Download
N14 Cummins Ecm Wiring Diagram Download from wholefoodsonabudget.com
Mercedes mbe 4000 ecm wiring diagram detroit sel 900 engine service manuals fault code sid 146 ã â egr system 60 series for full manual diagrams all carter i need controls in ww 6424 ddec iv 13 electronic ddc svc man 0055 mb 926 oil pressure gauge sc 8147 sensor free truck collection vi 2007 sterling check j1939 datalink diagnostics 54 133 fg. Relay box installation (all applications) mount the relay box on the inside of the frame rail using the brackets tib01017 or mount directly. The sae j1939 data link wiring and the sae j1939 devices vary by oem options. May 16, 2021 3.5 mm wiring diagram : Wiring diagram index name description page aa power distribution frc 3. These sockets provide 12‐volt power for the j1939 input device and the can hi & low connection for the j1939 network. Vcads pro communicates only on sae j1587/j1708. Shop talk this fault occurs whenever the ecm starts communicating with any other device using the sae j1939 data link and then can no longer transmit on the data link.

Cummins isx and signature series.

Figure 1 j1939 wiring diagram and schematic examples a. I have an 08 kenworth t800 with a cummins isx throwing a j1939 fault code. Tl103037 universal wiring guideline j1939 page 9 of 15_____31jan18jh section 4 wiring harness installation procedure 4.1. Use sae j1939 compliant wiring. Each component ought to be set and connected with other parts in specific way. Wrg 2785 cummins isx j1939 wiring diagram cummins isx engine diagram cashewapp co cummins isx fuel pump assembly youtube. Cummins isx wiring diagram pdf. The cummins signature isx cm870 engine ecm wiring diagram provides information for the correct servicing and troubleshooting of electrical systems and is essential for all mechanics carrying out repairs or. 1 related pinout(s) sae j1708 9 pin deutsch connector pinout; Mercedes mbe 4000 ecm wiring diagram detroit sel 900 engine service manuals fault code sid 146 ã â egr system 60 series for full manual diagrams all carter i need controls in ww 6424 ddec iv 13 electronic ddc svc man 0055 mb 926 oil pressure gauge sc 8147 sensor free truck collection vi 2007 sterling check j1939 datalink diagnostics 54 133 fg. Cummins isx ecm wiring diagram international ecm wiring diagram. May 16, 2021 3.5 mm wiring diagram : Sae j1939 is a faster link and can therefore send more time critical data.

Tl103037 universal wiring guideline j1939 page 9 of 15_____31jan18jh section 4 wiring harness installation procedure 4.1. Cummins isx wiring diagram pdf. For older vehicles without j1939 refer to wiring diagrams on telmausa.com. 1 related pinout(s) sae j1708 9 pin deutsch connector pinout; J1939 data link troubleshooting with a calculator why i use a calculator to troubleshoot a j1939 data link, yes i said a calculator.

Wiring Isx Diagram J1939 Frieghtlinercummin - Wiring Diagram Schemas
Wiring Isx Diagram J1939 Frieghtlinercummin - Wiring Diagram Schemas from images.ilcats.ru
1 related pinout(s) sae j1708 9 pin deutsch connector pinout; Use sae j1939 compliant wiring. Relay box installation (all applications) mount the relay box on the inside of the frame rail using the brackets tib01017 or mount directly. Cummins isx cm870 wiring diagram uncomparable 13 furthermore cummins fuel flow chart 1984u0027 115hp evinrude v4 flat head page 1 iboats share this post. Victor saturday 14 september 2019 2008. Wrg 3497 cummins isx j1939 wiring diagram cummins repair manual pdf cummins isx service manual pdf Cummins celect plus ecm wiring diagram luxury diagram cummins celect. Wiring diagram index name description page aa power supply, circuit protection 1/4 3.

For older vehicles without j1939 refer to wiring diagrams on telmausa.com.

Basic example of public j1939 data link the j1939 splice adapters (1024, 1025, 1026) are part of the backbone of the data link (the backbone will come in on 2 terminals and leave on 2 different terminals). The wiring from the connector to each module is a stub. For older vehicles without j1939 refer to wiring diagrams on telmausa.com. Each component ought to be set and connected with other parts in specific way. The ecm is located on the intake side of the engine, near the front. Use sae j1939 compliant wiring. These sockets provide 12‐volt power for the j1939 input device and the can hi & low connection for the j1939 network. Cummins isx ecm wiring diagram international ecm wiring diagram. If not, the arrangement won't work as it should be. Wrg 3497 cummins isx j1939 wiring diagram cummins repair manual pdf cummins isx service manual pdf Telma red/wht wire to a fused ignition source. Figure 1 j1939 wiring diagram and schematic examples a. I can start the the truck.

Iklan Atas Artikel

Iklan Tengah Artikel 1

Iklan Tengah Artikel 2

Iklan Bawah Artikel