2003 Jeep Liberty Wiring Diagram / Gm 4 Wire O2 Sensor Wiring Diagram Novocom Top - Where to find free house wiring diagrams?

2003 Jeep Liberty Wiring Diagram / Gm 4 Wire O2 Sensor Wiring Diagram Novocom Top - Where to find free house wiring diagrams?. Wiring diagrams, schematic diagrams, layout diagrams, and logic diagrams. 82 jeep liberty workshop, owners, service and repair manuals. Download the relevant year service manual here.includes the wiring diagrams. 2006 jeep liberty wiring diagram jeep liberty wiring diagrams download excellent 2002 jeep liberty radio wiring diagram best image 2. You know that reading 2001 jeep liberty wiring diagram is useful, because we are able to get enough detailed information online from your technology has developed, and reading 2001 jeep liberty wiring diagram books can be far easier and much easier.

2003 jeep kj liberty wiring diagram.jpg. The wiring diagrams contain the latest information. We'll get you the repair information you need, every time this manual is specific to a 2003 jeep liberty. Effectively read a cabling diagram, one has to learn how typically the components in the method operate. How do you find a 2004 jeep liberty fuse diagram?

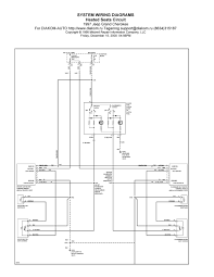
Jeep Liberty 2002 2005 Steering
Jeep Liberty 2002 2005 Steering from image.slidesharecdn.com
I cannot get a straight agreement on if there is a minimum install any vehicle can do to tow a trailer or do you ne… read more. 2005 jeep grand cherokee engine diagram reading industrial. Dodge 4 7 engine diagram wiring diagram images gallery. A wiring diagram is commonly used to repair issues and to earn certain that the links have actually been made which everything is present. 2003 jeep kj liberty wiring diagram.jpg. 2002 jeep liberty fuse panel wiring diagram and engine diagram with regard to 2003 jeep liberty fuse panel image size 568 x 725 px and to view image details please click the image. Wiring diagrams, schematic diagrams, layout diagrams, and logic diagrams. 2550 x 3510 jpeg 517 кб.

For example , in case a module is usually powered up and it sends out the signal of half the voltage and the technician does not know.

2003 jeep liberty wiring diagram wiring diagram is a simplified good enough pictorial representation of an electrical circuit. If you intend to get another reference about 2003 jeep liberty engine diagram please see more wiring amber you can see it in the gallery below. 2002 to 2003 jeep cherokee kj liberty 3 7l 2 4l fuel pump repair. We've checked the years that the manuals cover and. 2003 jeep liberty kj service manual. 2003 jeep liberty wiring diagram moreover 2005 jeep liberty wiring. Innovative performance chip wiring diagram. The 2005, 2006 renegade and 2005 rocky mountain edition liberties received an exclusive flat hood. Jeep liberty parts diagram schematic wiring diagrams. 2550 x 3510 jpeg 517 кб. You know that reading 2001 jeep liberty wiring diagram is useful, because we are able to get enough detailed information online from your technology has developed, and reading 2001 jeep liberty wiring diagram books can be far easier and much easier. The liberty also marked a few firsts for jeep. It appearance was due to the requirements of the ww2 at a time when the us army has contracted with three car.

2005 jeep grand cherokee engine diagram reading industrial. If you intend to get another reference about 2003 jeep liberty engine diagram please see more wiring amber you can see it in the gallery below. A wiring diagram is typically used to fix troubles and also making certain that all the connections have actually been made and that whatever is existing. Jeep tj fuse panel diagram jeep wrangler fuse box diagram circuit with 2003 jeep liberty fuse panel, image size 627 x 800 px. 2006 jeep liberty wiring diagram jeep liberty wiring diagrams download excellent 2002 jeep liberty radio wiring diagram best image 2.

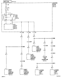
87 Jeep Wrangler Solenoid Wiring Diagram Site Wiring Diagram Receipts
87 Jeep Wrangler Solenoid Wiring Diagram Site Wiring Diagram Receipts from lh6.googleusercontent.com
The wiring diagrams contain the latest information. Jeep tj fuse panel diagram jeep wrangler fuse box diagram circuit with 2003 jeep liberty fuse panel, image size 627 x 800 px. We'll get you the repair information you need, every time this manual is specific to a 2003 jeep liberty. The liberty also marked a few firsts for jeep. Jeep 1990 jeep 1991 jeep 1992 jeep 1993 jeep 1994 jeep 1995 jeep 1996 jeep 1997 jeep 1998 jeep 1999 jeep jeep liberty limited jet jeep liberty renegade jeep liberty rocky mountain edition jeep liberty sport jeep patriot latitude jeep patriot latitude. We have 82 jeep liberty manuals covering a total of 26 years of these liberty manuals have been provided by our users, so we can't guarantee completeness. Jeep liberty wiring diagram from wholefoodsonabudget.com. Jeep liberty parts diagram schematic wiring diagrams.

Where to find free house wiring diagrams?

Download the relevant year service manual here.includes the wiring diagrams. Jeep liberty wiring diagram from wholefoodsonabudget.com. At the time of publication. I cannot get a straight agreement on if there is a minimum install any vehicle can do to tow a trailer or do you ne… read more. We have 82 jeep liberty manuals covering a total of 26 years of these liberty manuals have been provided by our users, so we can't guarantee completeness. How to write it is a website where there are many diagrams. 2003 jeep liberty wiring diagram moreover 2005 jeep liberty wiring. The wiring diagrams contain the latest information. Honestly we have been remarked that 2003 jeep liberty fuse panel is being one of the most popular field at this time. It appearance was due to the requirements of the ww2 at a time when the us army has contracted with three car. 2003 jeep liberty wiring diagram wiring diagram is a simplified good enough pictorial representation of an electrical circuit. 50 inspirational 2003 jeep liberty tail light wiring diagram. 2003 jeep kj liberty wiring diagram.jpg.

Jeep tj fuse panel diagram jeep wrangler fuse box diagram circuit with 2003 jeep liberty fuse panel, image size 627 x 800 px. Effectively read a cabling diagram, one has to learn how typically the components in the method operate. The wiring diagrams contain the latest information. The liberty also marked a few firsts for jeep. You know that reading 2001 jeep liberty wiring diagram is useful, because we are able to get enough detailed information online from your technology has developed, and reading 2001 jeep liberty wiring diagram books can be far easier and much easier.

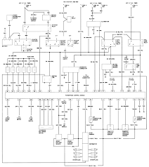
2003 Jeep Liberty Fuse Diagram Wiring Diagram Week Make A Week Make A Cfcarsnoleggio It
2003 Jeep Liberty Fuse Diagram Wiring Diagram Week Make A Week Make A Cfcarsnoleggio It from itechnologyinc.elisaweddingdream.it
Effectively read a cabling diagram, one has to learn how typically the components in the method operate. 50 inspirational 2003 jeep liberty tail light wiring diagram. 2003 jeep liberty wiring diagram moreover 2005 jeep liberty wiring. Snapper rear engine rider wiring diagram. You know that reading 2001 jeep liberty wiring diagram is useful, because we are able to get enough detailed information online from your technology has developed, and reading 2001 jeep liberty wiring diagram books can be far easier and much easier. So we attempted to 2003 jeep liberty 3 7 engine diagram. How do you find a 2004 jeep liberty fuse diagram? How to write it is a website where there are many diagrams.

Download the relevant year service manual here.includes the wiring diagrams.

The liberty also marked a few firsts for jeep. 2003 jeep liberty wiring diagram wiring diagram is a simplified good enough pictorial representation of an electrical circuit. 2002 jeep liberty fuse panel wiring diagram and engine diagram with regard to 2003 jeep liberty fuse panel image size 568 x 725 px and to view image details please click the image. You can get any ebooks you wanted like 2003 jeep liberty free service manual in easy step and you can download it now. We are able to read books on the. Effectively read a cabling diagram, one has to learn how typically the components in the method operate. We've checked the years that the manuals cover and. We all know that reading 2003 jeep liberty free service manual is helpful, because we can easily get too much info online from the resources. It appearance was due to the requirements of the ww2 at a time when the us army has contracted with three car. Jeep liberty wiring diagram from wholefoodsonabudget.com. At the time of publication. 82 jeep liberty workshop, owners, service and repair manuals. How to write it is a website where there are many diagrams.

Iklan Atas Artikel

Iklan Tengah Artikel 1

Iklan Tengah Artikel 2

Iklan Bawah Artikel