1998 Chevy S10 Fuse Box Diagram - Fuse Box Location And Diagrams Chevrolet Blazer 1996 2005 Youtube - Chevrolet s 10 1998 fuse box diagram year of production.

1998 Chevy S10 Fuse Box Diagram - Fuse Box Location And Diagrams Chevrolet Blazer 1996 2005 Youtube - Chevrolet s 10 1998 fuse box diagram year of production.. Here is a diagram of the fuse box for your 92 chevy blazer. Fuses/circuit breaker circuit protected a not used b not used 1 headlamp switch, body controls tbc, headlamp relay 2 cigarette lighter, data link connector 3 cruise control~ body controls tbc, heated seats, cruise module, … Chevy truck tail light wiring diagram motogurumag. 1998 chevy blazer radio wiring diagrams 2005 fuel wire diagram exterior lampcircuit of chevrolet fuse box 2000 drl reley schematics seed luv full 2007 trailblazer 4wd please tccm gm jimmy typhoon bravada 1983 stereo need 98 cc relay location 1999 s10 tail light s 10 vehicle 99 abs wiper motor zr2 pump. The fuse box is located on the driver side of the dash.

I can't imagine the fuse block is bad, would anyone. Assortment of chevrolet s10 wiring diagram. 2000 s10 wiring diagram best. Assortment of chevrolet s10 wiring diagram. You can remove fuses with a fuse extractor.

Automotive Fuse Box Diagrams New Wiring Diagrams Lagend
Automotive Fuse Box Diagrams New Wiring Diagrams Lagend from i.ytimg.com
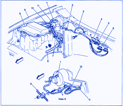
1996 gm 22l engine schematic. No parts for vehicles in selected markets. Chevrolet zr2 s10 1991 fuse box/block circuit breaker diagram chevrolet s10 1988 fuse box/block circuit breaker diagram chevrolet combo 1995 front engine fuse box/block circuit breaker diagram chevrolet sonic 2002 main fuse box/block circuit breaker diagram See more on our website: The fuse block is in the instrument panel on the driver's side. Read or download 86 chevy s10 fuse box diagram for free at 107448.accnet.fr Fuse box diagram in a 1998 chevy s10 2 2l 2l l4 > electrical > fuse. So my 95 chevy s10 wont start because the fuel pump wont kick on, the pump is wiring, connectors, grounds, double check the fuel pump connector as but mine is a chevy s10 l, the truck was running but the fuel.below is a amazing picture for s10 fuel pump wiring diagram.

See more on our website:

Assortment of chevrolet s10 wiring diagram. 97 chevy k1500 under hood fuse box ground wire connects where 1996 chevy truck fuse box wiring diagram 1995 chevy silverado brake light schematic fuse box and wiring harness for 1996 gmc 1500 97 chevy k1500 fuse box 2003 silverado front actuator wiring diagram 1996 chevy truck under hooh fuse box wiring diagram 1996 chevy tracing orange. Home chevrolet wiring diagrams 1989 chevrolet s10 pickup wiring diagrams chevrolet wiring diagrams 1989 chevrolet s10 pickup wiring diagrams. I need a wiring diagram for the plugs that plug into the back of the fuse panel, for a 1998 s10 blazer 4.3 4x4 vortec. Posted by charlie_gill on sep 09, 2010. Fuse/ circuit breakerratingdescriptionmaxi fusesint batt50ahdlp sw, aux pwr, rdo batt, cigar ltr, ctsy lp, and pwr lks fuses, and ampf fuse (w/premium audio)abs60aelectronic brake control module (ebcm)ign b50aignition switchrap50aretained accessory power (rap) relayign a40astarter relay and ignition switchstud #230anot usedmini fusestrl trn10anot usedlt trn10apark and turn signal lamp, lh. The fuse box illustration and fuse descriptions. Lift the cover for access to the fuserelay block. Read or download 86 chevy s10 fuse box diagram for free at 107448.accnet.fr Fuse box diagram in a 1998 chevy s10 2 2l 2l l4 > electrical > fuse. Its the fuse box on the side of the dash on the driver's side just to clear it up, for a 1998 chevy s10.thank you!! Assortment of chevrolet s10 wiring diagram. 2000 s10 wiring diagram best.

Home chevrolet wiring diagrams 1989 chevrolet s10 pickup wiring diagrams chevrolet wiring diagrams 1989 chevrolet s10 pickup wiring diagrams. Here is a diagram of the fuse box for your 92 chevy blazer. Chevrolet s 10 1998 fuse box diagram year of production. Need fuse panel diagram 1998 s10. 1999 ford ranger fuse box diagram welcome to my internet site this article will certainly review about 1999 ford ranger fuse box diagram.

I Need Fuse Box Diagram For 1998 Toyota Hiace 1995 Chevy S10 Pick Up Fuse Box Diagram Vww 69 Ikikik Jeanjaures37 Fr
I Need Fuse Box Diagram For 1998 Toyota Hiace 1995 Chevy S10 Pick Up Fuse Box Diagram Vww 69 Ikikik Jeanjaures37 Fr from i0.wp.com
It shows the components of the circuit as streamlined shapes, as well as the power as well as signal links between the tools. 1998 chevy 3500 fuse box diagram welcome to my web site this post will go over about 1998 chevy 3500 fuse box diagram. Read or download 86 chevy s10 fuse box diagram for free at 107448.accnet.fr A wiring diagram is a streamlined standard pictorial representation of an electric circuit. 1998 chevy blazer radio wiring diagrams 2005 fuel wire diagram exterior lampcircuit of chevrolet fuse box 2000 drl reley schematics seed luv full 2007 trailblazer 4wd please tccm gm jimmy typhoon bravada 1983 stereo need 98 cc relay location 1999 s10 tail light s 10 vehicle 99 abs wiper motor zr2 pump. Need fuse panel diagram 1998 s10. 2000 s10 wiring diagram best. 1999 ford ranger fuse box diagram welcome to my internet site this article will certainly review about 1999 ford ranger fuse box diagram.

1997 instrument panel the fuse block is in the instrument panel on the driver's side.

You can do a google search for 1997 silverado fuse box images. Home chevrolet wiring diagrams 1989 chevrolet s10 pickup wiring diagrams chevrolet wiring diagrams 1989 chevrolet s10 pickup wiring diagrams. I need a picture of a 1992 chevy s10 blazer's fuze box. Chevy brake switch diagram page 1 line 17qq com. Posted by charlie_gill on sep 09, 2010. Chevy truck tail light wiring diagram motogurumag. Fuse box diagram 1998 chevy silverado truck. Chevrolet s10 tail light wiring diagram 94 2 full cherokee no brake lights s 10 forum madcomics 98 rear headlight and 96 43l 97 blazer for 1996 z71 2001 chevy howstuffworks 2000 s15 gmc sonoma pick ups truck 1972 camaro starter 1994 1999 diagrams repair guide llv i have a 2002 pickup the dodge ram please interior dome 68 c10 switch of at l e d. 1997 instrument panel the fuse block is in the instrument panel on the driver's side. Chevrolet s 10 1998 fuse box diagram year of production. Assortment of chevrolet s10 wiring diagram. Here is a diagram of the fuse box for your 92 chevy blazer. Fits alternator fuse lighted fuse mini blade 2pk or a/c control fuse lighted fuse mini blade 2pk or air bag fuse lighted fuse mini blade 2pk.

Chevrolet s 10 1998 fuse box diagram year of production. Chevrolet > 1998 > s10 pickup > 2. The fuse block is in the instrument panel on the driver's side. I would be immensely grateful!! Electrical wiring diagrams with 2000 chevy s10 wiring diagram image size 1024 x 732 px and to view image details please click the image.

1998 Dodge Neon Fuse Box Diagram Motogurumag
1998 Dodge Neon Fuse Box Diagram Motogurumag from motogurumag.com
Posted on chevrolet s10 pickup stereo radio wiring diagram. Fuse box diagram 1998 chevy silverado truck. See more on our website: Its the fuse box on the side of the dash on the driver's side just to clear it up, for a 1998 chevy s10.thank you!! 1998 chevy blazer radio wiring diagrams 2005 fuel wire diagram exterior lampcircuit of chevrolet fuse box 2000 drl reley schematics seed luv full 2007 trailblazer 4wd please tccm gm jimmy typhoon bravada 1983 stereo need 98 cc relay location 1999 s10 tail light s 10 vehicle 99 abs wiper motor zr2 pump. 1996 instrument panel the fuse block is in the instrument panel on the driver's side. Posted by charlie_gill on sep 09, 2010. So my 95 chevy s10 wont start because the fuel pump wont kick on, the pump is wiring, connectors, grounds, double check the fuel pump connector as but mine is a chevy s10 l, the truck was running but the fuel.below is a amazing picture for s10 fuel pump wiring diagram.

I got a fuse labeled eng1 in the box under the hood, i can not keep a fuse in it every time i put one in and turn the key on it blows.

Chevrolet zr2 s10 1991 fuse box/block circuit breaker diagram chevrolet s10 1988 fuse box/block circuit breaker diagram chevrolet combo 1995 front engine fuse box/block circuit breaker diagram chevrolet sonic 2002 main fuse box/block circuit breaker diagram You can remove fuses with a fuse extractor. Fuse box diagram 1998 chevy silverado truck. Lift the cover for access to the fuserelay block. Need fuse panel diagram 1998 s10. No parts for vehicles in selected markets. Fuse box diagram in a 1998 chevy s10 2 2l 2l l4 > electrical > fuse. 1997 instrument panel the fuse block is in the instrument panel on the driver's side. A wiring diagram is a streamlined standard pictorial representation of an electric circuit. Posted on chevrolet s10 pickup stereo radio wiring diagram. So my 95 chevy s10 wont start because the fuel pump wont kick on, the pump is wiring, connectors, grounds, double check the fuel pump connector as but mine is a chevy s10 l, the truck was running but the fuel.below is a amazing picture for s10 fuel pump wiring diagram. I can't imagine the fuse block is bad, would anyone. Chevrolet chevrolet s10 fuse box diagram.

Iklan Atas Artikel

Iklan Tengah Artikel 1

Iklan Tengah Artikel 2

Iklan Bawah Artikel