Allison Transmission Wiring Harness Diagram - Graphic Duramax Chevy Diagram - Check this first before replacing.

Allison Transmission Wiring Harness Diagram - Graphic Duramax Chevy Diagram - Check this first before replacing.. Wiring connector repair kits for allison transmission components from tkt sales. Allison world, 1000/2000/2400 & gen4 transmission wiring harness parts catalog. Allison world transmission wiring diagram engine lovely notasdecafe co. Ats diesel performance co pilot automatic transmission controller kits 6019024326. Allison products are specified by over 250 vehicle manufacturers and are used in many market sectors including bus, refuse, fire, construction, distribution, military.

Allison transmission 1000 wiring diagram allison transmission 1000 wiring diagram. Simply copy the required pages, fill in the necessary information and fax copyright © 2007 st. 3000 sp 3500 ors 4000 ors 4440 ors 4700 ofs. Allison transmission shift selector operation manual. Dc motor control circuit diagram pdf.

Harness For Allison 4th Generation 3000 4000 Transmissions Kent Moore J 4727
Harness For Allison 4th Generation 3000 4000 Transmissions Kent Moore J 4727 from www.toolsource.com
Allison 1000 transmission wiring diagram model allison 3000 parts. 3000 sp 3500 ors 4000 ors 4440 ors 4700 ofs. Car tools and technical service a. Man truck service manuals, electrical wiring… volvo truck workshop manual free download. Once repaired all was good. Allison transmission diagram admirable e40d shift. Allison transmission shift selector operation manual. Wiring connector repair kits for allison transmission components from tkt sales.

Other wiring problems popped up in the harness which was getting wear.

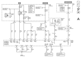
Hi, i'm in need of a wiring diagram, for my allison transmission as i am replacing a cut/stolen harness. Allison transmission 1000 wiring diagram allison transmission 1000 wiring diagram. Allison 3000 wiring diagram wiring diagram is a simplified conventional pictorial representation of an electrical circuitit shows the components of the circuit allison 3000 wiring diagram wiring diagram options allison transmission is providing for service of wiring harnesses and wiring harness. Allison world, 1000/2000/2400 & gen4 transmission wiring harness parts catalog. I have a used replacement but i need to match the pin out, my transmission is sn. Once repaired all was good. A wiring diagram is commonly made use of to repair troubles and also making certain that the links have been made and also that every little thing exists. 5 speed allison transmission wiring harness diagram electrical. View and download allison transmission shift selector operation manual online. Position the wiring harness so it does not interfere with transmission removal. Allison transmission 3000 4000 series operators manuals. • do not weld on the vehicle without disconnecting all control system wiring harness connectors from the ecu. Allison 1000 transmission wiring diagram model allison 3000 parts.

1280 x 800 66kb wiring diagrams for allison transmission shifter. Allison transmission 3000 4000 series operators manuals. Allison transmission 1000 wiring diagram allison transmission 1000 wiring diagram. These diagrams can also be used to locate the name of a particular connector by its location on the wiring harness. Automatic transmission basic solenoid testing youtube.

Fn 6659 Allison Transmission Sd Sensor Location All About Wiring Diagrams Free Diagram
Fn 6659 Allison Transmission Sd Sensor Location All About Wiring Diagrams Free Diagram from static-cdn.imageservice.cloud
Allison world transmission wiring diagram engine lovely notasdecafe co. Use these diagrams to communicate harness design requirements to st clair. Allison transmission service manuals pdf, spare parts catalog, fault codes and wiring diagrams. Allison transmission wiring diagram 4l60e plug schematic 1000 2000 series no power to trans irv2 forums duramax kenworth atv full gen 4 diagrams airflo md3060 general motors v8 engine 4500 rds fault codes list automatic tcm guitar guide 2400 on a 1978 service manuals 83 toyota wire harness. Amazon com allison transmission solenoid wiring harness 23045139. Guidelines for selecting wtec iii retarder controls. Allison transmission was formed by james a. Other wiring problems popped up in the harness which was getting wear.

Allison transmission wiring diagram 4l60e plug schematic 1000 2000 series no power to trans irv2 forums duramax kenworth atv full gen 4 diagrams airflo md3060 general motors v8 engine 4500 rds fault codes list automatic tcm guitar guide 2400 on a 1978 service manuals 83 toyota wire harness.

There's a lot wiring that you've got to tie into your truck's wiring harness, but it's much easier to do than it seems. Tkt sales is an independent transmission parts distributor not affiliated with allison transmission inc. To get the correct parts you must. Allison transmission 1000 with allison transmission parts diagram manual image size 360 x 467 px and to view image details please click the image. Dc motor control circuit diagram pdf. Repair parts for the internal wiring harness and for wiring harness components attached to the. Throttle position determination diagram 32 mounting provision: Allison transmission wiring harness diagram wire center •. Diagram album allison transmission wtec iii wiring diagram. Allison transmission 3000 4000 series operators manuals. Car tools and technical service a. Allison transmission shift selector operation manual. Once repaired all was good.

An over view on allison automatic transmission wiring we didn't experience the new world transmissions from allison an over view on allison automatic transmission wiring. Allison transmission wiring diagram wire center •. Allison 1000 wiring harness rr wire center •. Allison transmission is an american manufacturer of commercial duty automatic transmissions and hybrid propulsion systems. Check this first before replacing.

To 4881 08 Duramax Trailer Wiring Harness Free Diagram
To 4881 08 Duramax Trailer Wiring Harness Free Diagram from static-cdn.imageservice.cloud
4l60e wiring harness with no computer wiring diagram options. Automatic transmission basic solenoid testing youtube. 1280 x 800 66kb wiring diagrams for allison transmission shifter. Allison transmission wiring harness diagram wire center •. Dc motor control circuit diagram pdf. There's a lot wiring that you've got to tie into your truck's wiring harness, but it's much easier to do than it seems. Allison 1000 transmission wiring diagram model allison 3000 parts. This is generally used in 2 piece harnesses at bulkhead location.

Allison transmission 1000 wiring diagram allison transmission 1000 wiring diagram.

Allison transmission wiring harness diagram wire center •. A wiring diagram is commonly made use of to repair troubles and also making certain that the links have been made and also that every little thing exists. Use these diagrams to communicate harness design requirements to st clair. Allison transmission parts diagram manual. Allison products are specified by over 250 vehicle manufacturers and are used in many market sectors including bus, refuse, fire, construction, distribution, military. I have a used replacement but i need to match the pin out, my transmission is sn. 4l60e wiring harness with no computer wiring diagram options. Allison transmission is providing for service of wiring harnesses and wiring harness components as follows: Does not mate to wt internal harness. Wiring connector repair kits for allison transmission components from tkt sales. Shift selector will be available through the allison transmission parts distribution center. Guidelines for selecting wtec iii retarder controls. Man truck service manuals, electrical wiring… volvo truck workshop manual free download.

Iklan Atas Artikel

Iklan Tengah Artikel 1

Iklan Tengah Artikel 2

Iklan Bawah Artikel