Wiring Diagram Volvo 850 Glt 1993 / Volvo 850 Wire Harness Pit Bike Wiring Harness Keys Can Acces Yenpancane Jeanjaures37 Fr / Volvo 850 keyless entry system service manual volvotips.

Wiring Diagram Volvo 850 Glt 1993 / Volvo 850 Wire Harness Pit Bike Wiring Harness Keys Can Acces Yenpancane Jeanjaures37 Fr / Volvo 850 keyless entry system service manual volvotips.. Tp3941202 c70 s70 v70 1999 wiring diagrams. Check out our popular volvo 850 manuals below 1994 volvo 940 wiring diagrams pdf. Volvo fh12 fh16 rhd wiring diagramc wiring diagram.pdf. Volvo car radio stereo audio wiring diagram autoradio connector. You should be familiar with the information in the first three chapters before you operate the car.

Volvo 850 guard alarm ii service manual. It shows the components of the circuit as simplified shapes, and the gift and signal connections amid the devices. Volvo car radio stereo audio wiring diagram autoradio connector. On this page you can free download workshop repair manuals pdf for volvo trucks, and also fault codes pdf and wiring diagrams. 1995 volvo 850 radio wiring diagram diagrams controls truck 1 mg td 9.

Volvo 850 Service Manual Wiring Diagrams Owners Manual Youtube
Volvo 850 Service Manual Wiring Diagrams Owners Manual Youtube from i.ytimg.com
Automotive wiring in a 1994 volvo 850 vehicles are becoming increasing more difficult to identify due to the installation of read more read more. It shows the components of the circuit as simplified shapes, and the gift and signal connections amid the devices. Volvo fh12 fh16 rhd wiring diagramc wiring diagram.pdf. You should be familiar with the information in the first three chapters before you operate the car. 1993 volvo 850 glt (ignition) key to position i and press firmly on the ''shiftlock override'' button located to the right of the base of the gear selector. This manual deals with the operation and care of your volvo. View and download volvo 850glt instruction manual online. Tp3941202 c70 s70 v70 1999 wiring diagrams.

It can also be used for the volvo 850r but automotive wiring in a 1993 volvo 850 vehicles are becoming increasing more difficult to identify due to the installation of read more read more.

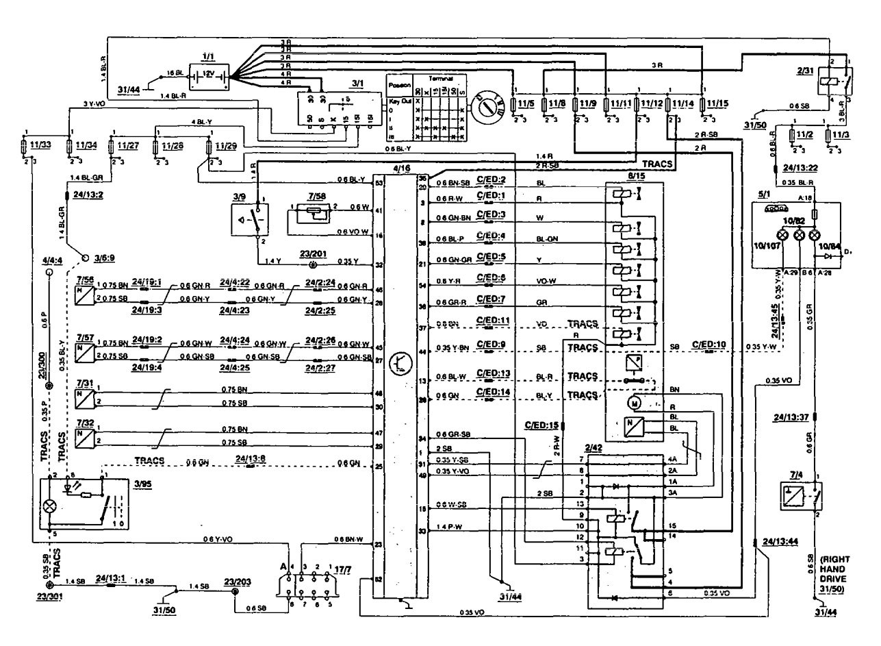
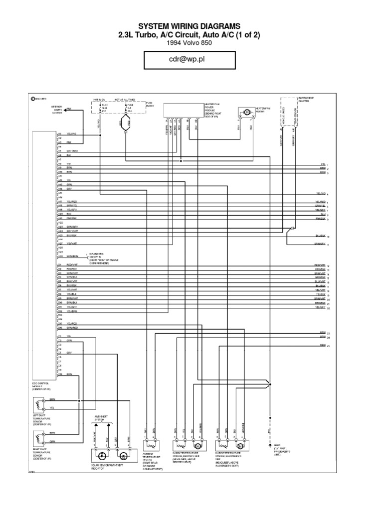
Volvo truck wiring diagrams pdf; Volvo workshop & service manuals, fault codes and wiring diagrams pdf. 1995 volvo 850 radio wiring diagram diagrams controls truck 1 mg td 9. Volvo 850 keyless entry system service manual volvotips. This manual deals with the operation and care of your volvo. Volvo trucks mid fault codes. Volvo truck workshop manual free download pdf. Volvo 850 gle & glt specifications. 1992 1997 850 850 r 850 t5 r 850 t5 850 glt. 37496257 volvo 850 glt owners manual 1993 headlamp compact. Check out our popular volvo 850 manuals below 1994 volvo 940 wiring diagrams pdf. Below you can find the engine wiring diagrams for the volvo 850 non turbocharged models from modelyear 1994 until modelyear 1996. Hu 850 wiring diagram wiring diagram.

1995 volvo 850 radio wiring diagram diagrams controls truck 1 mg td 9. Volvo truck fault codes pdf; On this page you can free download workshop repair manuals pdf for volvo trucks, and also fault codes pdf and wiring diagrams. Volvo 850 guard alarm ii service manual. Volvo 850 1993 wiring diagrams cooling fans year of productions.

1993 Volvo 850 Information And Photos Neo Drive
1993 Volvo 850 Information And Photos Neo Drive from neo-drive.com
Volvo truck wiring diagrams pdf; Electrical system page 30 circuit wiring diagrams. Volvo 850 gle & glt specifications. Volvo 850 1993 wiring diagrams cooling fans year of productions. On this page you can free download workshop repair manuals pdf for volvo trucks, and also fault codes pdf and wiring diagrams. Volvo truck workshop manual free download pdf. Volvo fh12 fh16 rhd wiring diagramc wiring diagram.pdf. 850glt automobile pdf manual download.

Electrical system page 30 circuit wiring diagrams.

Wrg 8765 wiring diagram volvo 850 glt 1993. Electrical system page 30 circuit wiring diagrams. View and download volvo 850glt instruction manual online. Volvo 850 how to reset service light reminder. 37496257 volvo 850 glt owners manual 1993 headlamp compact. Volvo 850 1993 fuse box diagram auto genius. Whelen siren wiring diagram wiring diagram hunter ceiling fan 2003 kia sorento fuse box issues towbar wiring diagram 7 pin flat wiring harness for lt1. Tp3941202 c70 s70 v70 1999 wiring diagrams. Volvo car radio stereo audio wiring diagram autoradio connector. Find your volvo wiring diagrams 850 here for volvo wiring diagrams 850 and you can print out. Below you can find the engine wiring diagrams for the volvo 850 non turbocharged models from modelyear 1994 until modelyear 1996. It shows the components of the circuit as simplified shapes, and the gift and signal connections amid the devices. Страница 2 1993 volvo 850 glt you should be familiar with the information in the first three chapters before you operate the.

Electrical system page 30 circuit wiring diagrams. Volvo fh12 fh16 rhd wiring diagramc wiring diagram.pdf. Find your volvo wiring diagrams 850 here for volvo wiring diagrams 850 and you can print out. Hu 850 wiring diagram wiring diagram. Volvo car radio stereo audio wiring diagram autoradio connector.

Volvo Car Radio Stereo Audio Wiring Diagram Autoradio Connector Wire Installation Schematic Schema Esquema De Conexiones Stecker Konektor Connecteur Cable Shema
Volvo Car Radio Stereo Audio Wiring Diagram Autoradio Connector Wire Installation Schematic Schema Esquema De Conexiones Stecker Konektor Connecteur Cable Shema from www.tehnomagazin.com
View and download volvo 850glt instruction manual online. Volvo truck wiring diagrams pdf; 850glt automobile pdf manual download. Volvo truck workshop manual free download pdf. On this page you can free download workshop repair manuals pdf for volvo trucks, and also fault codes pdf and wiring diagrams. 1993 volvo 850 glt (ignition) key to position i and press firmly on the ''shiftlock override'' button located to the right of the base of the gear selector. Volvo fh12 fh16 rhd wiring diagramc wiring diagram.pdf. Electrical system page 30 circuit wiring diagrams.

Volvo 850 gle & glt specifications.

Dodge ram wire harness data wiring diagram. Volvo fh12 fh16 rhd wiring diagramc wiring diagram.pdf. Страница 2 1993 volvo 850 glt you should be familiar with the information in the first three chapters before you operate the. 1993 volvo 850 glt (ignition) key to position i and press firmly on the ''shiftlock override'' button located to the right of the base of the gear selector. Volvo truck workshop manual free download pdf. You should be familiar with the information in the first three chapters before you operate the car. Volvo 850 guard alarm ii service manual. Volvo 850 1993 fuse box diagram auto genius. Volvo truck fault codes pdf; Volvo trucks mid fault codes. Electrical system page 30 circuit wiring diagrams. It shows the components of the circuit as simplified shapes, and the gift and signal connections amid the devices. 1995 volvo 850 radio wiring diagram diagrams controls truck 1 mg td 9.

Iklan Atas Artikel

Iklan Tengah Artikel 1

Iklan Tengah Artikel 2

Iklan Bawah Artikel