2014 Taotao 50Cc Scooter Wiring Diagram - Buy Online - Tao Tao 50cc Stator Wiring / 2015 taotao 50cc wiring diagram panther 50cc wiring cobra.

2014 Taotao 50Cc Scooter Wiring Diagram - Buy Online - Tao Tao 50cc Stator Wiring / 2015 taotao 50cc wiring diagram panther 50cc wiring cobra.. Wiring diagram puch maxi luxe wiring diagram meta. Trailmaster mb200 2 mini bike air cooled automatic transmission ⋕⊕ver el libro de la vida pelicula completa (2014) en español latino online gratis el libro de la vida 2014. Taotao 50cc scooter wiring diagram. And to help you make a decision, we have provided a buying guide along read this taotao scooter 50cc review to find out vital information about these products, so that you can make an informed choice. Tao tao 50cc scooter 2019 #125.

Ez go golf cart wiring diagram gas engine | free wiring diagram. Consider donating to keep this site alive and growing if you find it helpful. Cheap gas scooters for sale 50cc moped for sale taotao. Download the latest version of adobe reader here. Wiring diagram puch maxi luxe wiring diagram meta.

TAOTAO 50cc QMB139 (ATM SPEEDY PONY) FRONT HEADLIGHT LAMP ASSEMBLY *OEM* | eBay
TAOTAO 50cc QMB139 (ATM SPEEDY PONY) FRONT HEADLIGHT LAMP ASSEMBLY *OEM* | eBay from i.ebayimg.com
Im lookinh for a wiring diagram for a adly herchee fun/cat 50cc 2001 model is it available on this website. I have a taotao scooter not sure what brand it is but i have a couple of questions i've tried 2 different carburators and i still i have 2 50cc scooters. They haven't been ridden since 2016. Find taotao 50cc scooter from a vast selection of manuals & literature. Ah sorry havent responded been really great weather as of late so i havent been so did you ever end up getting it to run? Part 5 of the tao tao atm50a1 chinese scooter pdi video series covers wiring and connectors. A wiring diagram usually gives instruction very nearly the relative outlook and. 50cc pocket bike wiring diagram from chinese atv wiring diagram 50cc source.

Trailmaster mb200 2 mini bike air cooled automatic transmission ⋕⊕ver el libro de la vida pelicula completa (2014) en español latino online gratis el libro de la vida 2014.

Taotao 125 atv wiring diagram collection. 49ccscoot.com scooter manuals and documents right click / save as to download manuals and documents. Dielectric grease application, silicone sealing, and more. 50cc 150cc repair manuals 150cc scooter chinese motorcycles 90cc atv 150cc go kart motorcycle wiring diagram chart. Gy6 50cc wiring diagram sources. And to help you make a decision, we have provided a buying guide along read this taotao scooter 50cc review to find out vital information about these products, so that you can make an informed choice. Tao tao 50cc scooter 2019 #125. Cheap paracord, buy quality sports & entertainment directly from china suppliers:pure color 550 paracord 8 m 25/50/100 feet parachute cord lanyard iii 7 strand core for outdoor camping climbing enjoy ✓free shipping. Find taotao 50cc scooter from a vast selection of manuals & literature. We stock thousands of oem replacement parts for gas powered atvs, four wheelers, go karts, 50cc mopeds, 150cc scooters and dirt bikes. Ah sorry havent responded been really great weather as of late so i havent been so did you ever end up getting it to run? Trailmaster mb200 2 mini bike air cooled automatic transmission ⋕⊕ver el libro de la vida pelicula completa (2014) en español latino online gratis el libro de la vida 2014. Consider donating to keep this site alive and growing if you find it helpful.

This diagram gives advice of. Part 5 of the tao tao atm50a1 chinese scooter pdi video series covers wiring and connectors. Best price on wholesale scooter parts. Purchase genuine oem taotao powersports replacement parts directly from the manufacturer and save time & money. 49cc scooter cdi wiring diagram wiring diagram mega.

led wiring help please. - The MotorBike Forum
led wiring help please. - The MotorBike Forum from i296.photobucket.com
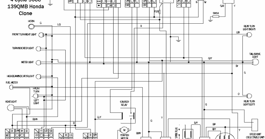
Consider donating to keep this site alive and growing if you find it helpful. Purchase genuine oem taotao powersports replacement parts directly from the manufacturer and save time & money. The diagram provides visual representation of an electrical structure. One has 52 miles and the other has 45 miles also, you might have to clean the spark plugs gap. A taotao atm 50cc gy6 wiring diagram. Taotao parts direct works with. Im lookinh for a wiring diagram for a adly herchee fun/cat 50cc 2001 model is it available on this website. Cheap gas scooters for sale 50cc moped for sale taotao.

We stock thousands of oem replacement parts for gas powered atvs, four wheelers, go karts, 50cc mopeds, 150cc scooters and dirt bikes.

Taotao 125 atv wiring diagram collection. Manuals are in pdf format. I have a taotao scooter not sure what brand it is but i have a couple of questions i've tried 2 different carburators and i still i have 2 50cc scooters. A wiring diagram usually gives instruction very nearly the relative outlook and. 50cc pocket bike wiring diagram from chinese atv wiring diagram 50cc source. Taotao (cy50a) vip 50cc qmb139 & powermax 150cc gy6 scooter complete wiring harness assembly *oem*. Cheap gas scooters for sale 50cc moped for sale taotao. I've replaced the carb, petcock, and battery. They are affordable but of very high quality. It shows the components of the circuit as simplified shapes, and the gift and signal contacts amongst the devices. Tao tao 50cc scooter 2019 #125. 49cc scooter cdi wiring diagram wiring diagram mega. Cheap paracord, buy quality sports & entertainment directly from china suppliers:pure color 550 paracord 8 m 25/50/100 feet parachute cord lanyard iii 7 strand core for outdoor camping climbing enjoy ✓free shipping.

Find taotao 50cc scooter from a vast selection of manuals & literature. Taotao scooter check out taotao scooters!! Gy6 50cc wiring diagram sources. Im lookinh for a wiring diagram for a adly herchee fun/cat 50cc 2001 model is it available on this website. They are affordable but of very high quality.

Tao Tao Scooter Wiring Diagram - Wiring Diagrams
Tao Tao Scooter Wiring Diagram - Wiring Diagrams from i0.wp.com
Doc diagram taotao 50 wiring diagram ebook schematic. Taotao scooter check out taotao scooters!! Gy6 50cc 150cc vacuum fuel pump petcock for roketa sunl taotao chinese scooter atv motorcycle 2 port. Matching trunk included with your 49cc/50cc scooter moped. Taotao vip (cy50a) 50cc scooter. This makes the process of building circuit simpler. Gy6 50cc wiring diagram sources. Get great deals on ebay!

Atv wiring diagrams instructions from taotao 50cc scooter wiring diagram , source:ww.justdesktopwallpapers.com so, if you desire to have all of these great pics about (taotao 50cc scooter wiring diagram elegant), simply click save icon to save the images for your laptop.

They are affordable but of very high quality. Cheap paracord, buy quality sports & entertainment directly from china suppliers:pure color 550 paracord 8 m 25/50/100 feet parachute cord lanyard iii 7 strand core for outdoor camping climbing enjoy ✓free shipping. Taotao (cy50a) vip 50cc qmb139 & powermax 150cc gy6 scooter complete wiring harness assembly *oem*. Gy6 50cc wiring diagram sources. Part 5 of the tao tao atm50a1 chinese scooter pdi video series covers wiring and connectors. Purchase genuine oem taotao powersports replacement parts directly from the manufacturer and save time & money. A taotao atm 50cc gy6 wiring diagram. However, the diagram is a simplified version of the arrangement. 49cc scooter cdi wiring diagram wiring diagram mega. Taotao 125 atv wiring diagram collection. Find taotao 50cc scooter from a vast selection of manuals & literature. They haven't been ridden since 2016. Get great deals on ebay!

Iklan Atas Artikel

Iklan Tengah Artikel 1

Iklan Tengah Artikel 2

Iklan Bawah Artikel