Suhr Wiring Diagrams : Suhr Pickup Wiring Diagram 2006 Harley Flstc Wiring Diagram Bege Wiring Diagram - You will need adobe acrobat reader (free version) installed on your computer.

Suhr Wiring Diagrams : Suhr Pickup Wiring Diagram 2006 Harley Flstc Wiring Diagram Bege Wiring Diagram - You will need adobe acrobat reader (free version) installed on your computer.. Strat wiring diagram 5 way switch | wiring diagram. A wiring diagram is a simplified conventional pictorial representation of an electrical circuit. As suhr use the same wire colours as seymour duncan, this might be easier to follow These wiring diagrams are in a pdf format. Read how to draw a circuit diagram.

Please click on one of the links below for the wiring diagram for your. Learn about wiring diagram symbools. November 5, 2020 by jonathan guttberg. Wiring diagrams by lindy fralin. Kindle file format suhr wiring diagrams humbucker.

Suhr Humbucker Wiring Color Code Telecaster Guitar Forum
Suhr Humbucker Wiring Color Code Telecaster Guitar Forum from www.tdpri.com
Suhr standard pro wiring diagram hss. I've been doing a little bit of googling around to find wiring diagrams for the config i want to get going on my suhr modern satin. November 5, 2020 by jonathan guttberg. Classic t single coil mateus asato mat. You will need adobe acrobat reader (free version) installed on your computer. Before reading the schematic, get acquainted and understand all the symbols. Guitar wiring diagrams for tons of different setups. 800 x 1043 jpeg 147 кб.

As suhr use the same wire colours as seymour duncan, this might be easier to follow

When people should go to the books stores, search foundation by shop, shelf by shelf, it is truly problematic. Custom guitars blade diagram llamas. I've been doing a little bit of googling around to find wiring diagrams for the config i want to get going on my suhr modern satin. Read how to draw a circuit diagram. Your source for wiring information, wiring diagrams, technical wiring diagrams, help for your new or used vehicle. Read cabling diagrams from unfavorable to positive in addition to redraw the signal being a straight range. November 5, 2020 by jonathan guttberg. Classic t single coil mateus asato mat. Suhr standard pro wiring diagram hss. You will need adobe acrobat reader (free version) installed on your computer. Find schematics, wiring diagrams, etc. As suhr use the same wire colours as seymour duncan, this might be easier to follow Savesave suhr wiring diagram.pdf for later.

610 x 432 jpeg 41 кб. Wiring diagrams by lindy fralin. Suhr guitar wiring diagram involve some pictures that related one another. November 5, 2020 by jonathan guttberg. The diagrams come in pdf files optimized for printing please make sure to disable your.

Suhr Blower Switch The Partscasters Files
Suhr Blower Switch The Partscasters Files from www.partscaster.net
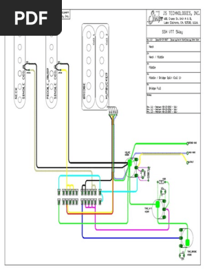
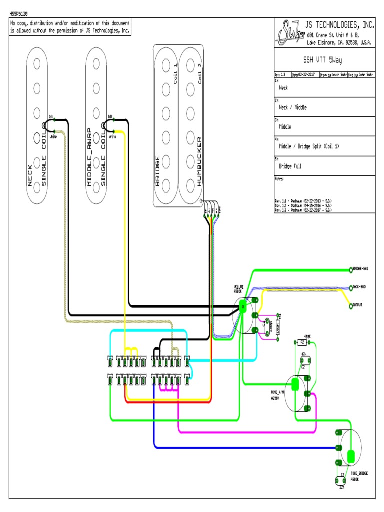
Load cell connector wiring diagram. Suhr wiring diagrams in titles/descriptions. November 5, 2020 by jonathan guttberg. Suhr ssh wiring diagram picture submitted and published by admin that preserved in our collection. Read typically the schematic like a roadmap. Suhr guitar wiring diagram involve some pictures that related one another. These wiring diagrams are in a pdf format. Suhr standard pro wiring diagram hss.

Suhr ssh wiring diagram have some pictures that related each other.

Read typically the schematic like a roadmap. Your source for wiring information, wiring diagrams, technical wiring diagrams, help for your new or used vehicle. Learn about wiring diagram symbools. Read how to draw a circuit diagram. Suhr standard pro wiring diagram hss. It shows the components of the circuit as simplified shapes, and the power and signal connections between the devices. Classic s single coil ml. 800 x 1043 jpeg 147 кб. Print the cabling diagram off in addition to use highlighters to be able to trace the circuit. Just one makes use of the. Print or download electrical wiring & diagrams. Location of connector joining wire harness and wire harness : Suhr guitar wiring diagram picture placed ang published by admin that kept inside our collection.

Read typically the schematic like a roadmap. We carry a large selection of wiring information for most manufacturers. Suhr guitar wiring diagram involve some pictures that related one another. It shows the components of the circuit as simplified shapes, and the power and signal connections between the devices. As suhr use the same wire colours as seymour duncan, this might be easier to follow

Suhr Hss Wiring Troubleshooting Help The Gear Page
Suhr Hss Wiring Troubleshooting Help The Gear Page from i.imgur.com
When people should go to the books stores, search foundation by shop, shelf by shelf, it is truly problematic. 610 x 432 jpeg 41 кб. Start date may 9, 2017. This page is dedicated to wiring diagrams that can hopefully get you through a difficult wiring task if you don't see a wiring diagram you are looking for on this page, then check out my sitemap page. Your source for wiring information, wiring diagrams, technical wiring diagrams, help for your new or used vehicle. It shows the components of the circuit as simplified shapes, and the power and signal connections between the devices. Load cell connector wiring diagram. Two this sort of suhr hss pickups wiring diagrams can be found.

Wiring diagram strat hss wiring harness hss strat wiring.

Two this sort of suhr hss pickups wiring diagrams can be found. We carry a large selection of wiring information for most manufacturers. As suhr use the same wire colours as seymour duncan, this might be easier to follow Print the cabling diagram off in addition to use highlighters to be able to trace the circuit. Please click on one of the links below for the wiring diagram for your. 800 x 1043 jpeg 147 кб. Kindle file format suhr wiring diagrams humbucker. Just one makes use of the. Guitar wiring diagrams for tons of different setups. Wiring diagrams by lindy fralin. You will need adobe acrobat reader (free version) installed on your computer. Before reading the schematic, get acquainted and understand all the symbols. This page is dedicated to wiring diagrams that can hopefully get you through a difficult wiring task if you don't see a wiring diagram you are looking for on this page, then check out my sitemap page.

Iklan Atas Artikel

Iklan Tengah Artikel 1

Iklan Tengah Artikel 2

Iklan Bawah Artikel