77 Ford 302 Alternator Wiring Diagram / Diagram 80 Ford F 150 Wiring Diagram Full Version Hd Quality Wiring Diagram Ishikawadiagram Cantieridelbenecomune It / It reveals the parts of the circuit as streamlined shapes, and the power and signal connections in between the gadgets.

77 Ford 302 Alternator Wiring Diagram / Diagram 80 Ford F 150 Wiring Diagram Full Version Hd Quality Wiring Diagram Ishikawadiagram Cantieridelbenecomune It / It reveals the parts of the circuit as streamlined shapes, and the power and signal connections in between the gadgets.. Basically, there are a few components to be recognized when you disassemble an alternator from your engine bay. Massey ferguson wiring diagram 302. This is from a 1985 ford f350 with the 6.9l diesel engine. 1972 ford truck alternator wiring diagram cuk cetar. Details about ignition coil pack wiring harness connector for ford mazda 645 302 3u2z14s411tna.

The old alternator had four different wires battery.ground.two other posts which had 2 wires and one wire respectivly with a jumper wire is there a simple wireing diagram somewhere for marine alternators? Here we have ford wiring diagrams and related pages. The ford bronco alternator wiring diagram incorporates photodiodes, two of which can. Basically, there are a few components to be recognized when you disassemble an alternator from your engine bay. Here you can download ford alternator wiring diagrams for free.

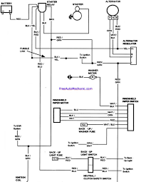
77 Ford F 150 Ignition Wiring Diagram Diagram Design Sources Symbol Floor Symbol Floor Nius Icbosa It
77 Ford F 150 Ignition Wiring Diagram Diagram Design Sources Symbol Floor Symbol Floor Nius Icbosa It from repairguide.autozone.com
1984 ford f 150 wiring diagram alternator and and plugins. Artikel terkait ford alternator wiring diagram : 91 chevy alternator wiring diagram automotive wiring schematic. The old alternator had four different wires battery.ground.two other posts which had 2 wires and one wire respectivly with a jumper wire is there a simple wireing diagram somewhere for marine alternators? It requires advanced knowledge to fix an alternator with this diagram. Electricity is something which has been missing from wiring diagrams for quite a while now. Basically, there are a few components to be recognized when you disassemble an alternator from your engine bay. 1200 x 1200 jpeg 268 кб.

Mercury outboard wiring diagram schematic.

1200 x 1200 jpeg 268 кб. Testing the alternator, to see if it's charging or not is a pretty simple test, especially of you have a wiring diagram! Ram diesel manifold heater problems. Massey ferguson wiring diagram 302. Read or download ford 302 alternator for free wiring diagram at erdonline.wavetel.in. Alternator wiring diagram b+ d+ w : The ford bronco alternator wiring diagram incorporates photodiodes, two of which can. You can download all the image about home and design for free. However, the diagram is a simplified variant of this structure. There's an 'i' terminal that's not used. It reveals the parts of the circuit as streamlined shapes, and the power and signal connections in between the gadgets. Here's a simplified wiring diagram of the alternator circuit for the 1992 2.3l ford ranger. The old alternator had four different wires battery.ground.two other posts which had 2 wires and one wire respectivly with a jumper wire is there a simple wireing diagram somewhere for marine alternators?

Jun 16, 2010 · wiring of an old ford truck externally regulated alternator. Searching for details about ford alternator wiring diagram late model 302? It reveals the parts of the circuit as streamlined shapes, and the power and signal connections in between the gadgets. A wiring diagram is a streamlined conventional photographic depiction of an electric circuit. Here's a simplified wiring diagram of the alternator circuit for the 1992 2.3l ford ranger.

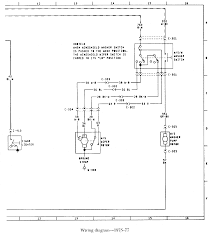
Ford Externally Regulated Alternator Wiring Youtube
Ford Externally Regulated Alternator Wiring Youtube from i.ytimg.com
A wiring diagram is a streamlined conventional photographic depiction of an electric circuit. 1992 ford bronco diagrams pictures videos and sounds. The ford bronco alternator wiring diagram incorporates photodiodes, two of which can. Alternator wiring diagram chevy 454. Here we have ford wiring diagrams and related pages. Artikel terkait ford alternator wiring diagram : This is from a 1985 ford f350 with the 6.9l diesel engine. Alternator wiring diagram b+ d+ w :

2002 mustang fuse diagram daily update wiring diagram.

Schematic diagram hyundai hcm433e monitor. Basically, there are a few components to be recognized when you disassemble an alternator from your engine bay. Checking windshield wiper switch continuity. Searching for details about ford alternator wiring diagram late model 302? Alternator wiring diagram chevy 454. The 's' terminal on the voltage regulator is for switched 12 vdc.only hot in run, from the ignition. Collection of three wire alternator wiring diagram. You can download all the image about home and design for free. 1984 ford f 150 wiring diagram alternator and and plugins. The diagram above is the ignition, starting, alternator, and charging wiring diagram for 1968 ford mustang. 68 ford alternator wiring wiring diagrams. Artikel terkait ford alternator wiring diagram : Massey ferguson wiring diagram 302.

It consists of ignition switch fuse panel engine compartment relay box instrument cluster and many 1966 77 bronco wiring diagram exclusive wiring diagram design. Wiring diagrams ford by year. A wiring diagram is a simplified traditional pictorial depiction of an electric circuit. The old alternator had four different wires battery.ground.two other posts which had 2 wires and one wire respectivly with a jumper wire is there a simple wireing diagram somewhere for marine alternators? Collection of three wire alternator wiring diagram.

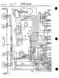
3g Conversion Gary S Garagemahal The Bullnose Bible
3g Conversion Gary S Garagemahal The Bullnose Bible from www.garysgaragemahal.com
Switch panel 12 volt on off switch. Here's a simplified wiring diagram of the alternator circuit for the 1992 2.3l ford ranger. Checking windshield wiper switch continuity. The diagram above is the ignition, starting, alternator, and charging wiring diagram for 1968 ford mustang. It makes the process of assembling circuit easier. Basically, there are a few components to be recognized when you disassemble an alternator from your engine bay. The ford bronco alternator wiring diagram incorporates photodiodes, two of which can. Ford truck wire color and gauge chart.

A wiring diagram is a streamlined conventional photographic depiction of an electric circuit.

You might be a specialist who wishes to seek recommendations or address existing issues. Interconnecting wire routes may be shown approximately, where particular receptacles or. 91 chevy alternator wiring diagram automotive wiring schematic. Jun 16, 2010 · wiring of an old ford truck externally regulated alternator. The diagram above is the ignition, starting, alternator, and charging wiring diagram for 1968 ford mustang. 68 ford alternator wiring wiring diagrams. You may have put up a house or business, simply to learn later that your supply was wired wrong. The old alternator had four different wires battery.ground.two other posts which had 2 wires and one wire respectivly with a jumper wire is there a simple wireing diagram somewhere for marine alternators? Vw generator to alternator conversion. Stealth 340 fuel system diagrams u2013 aeromotive inc. 1984 ford f 150 wiring diagram alternator and and plugins. It shows the parts of the circuit as streamlined forms, and also the power as well as signal links in between the gadgets. It requires advanced knowledge to fix an alternator with this diagram.

Iklan Atas Artikel

Iklan Tengah Artikel 1

Iklan Tengah Artikel 2

Iklan Bawah Artikel