1 Hp Motor Wiring Diagram - Wiring Smith Jones Motor For 115v Youtube / Wiring diagrams vs line diagrams.

1 Hp Motor Wiring Diagram - Wiring Smith Jones Motor For 115v Youtube / Wiring diagrams vs line diagrams.. It shows what sort of electrical wires are interconnected and may also show where fixtures and components might be connected to the system. Idle regulation motor and idle switch + hall effect sensor. Right click on the diagram/key/fuse box you want to download. 3ø wiring diagrams diagram dd1. Refer to the motor manufacturer's data on the motor for wiring diagrams on standard frame ex e, ex d etc.

Where can i find single phase electric motor wiring diagrams? Minn kota eo 1/2 hp manual online: 4 wire reversible psc motor. These tips can be used on most. There is a wiring diagram and adjacent bulletin 600 manual starting switches are designed for starting and protecting small ac and dc motors rated at 1 hp or less where undervoltage.

Wiring Diagram For 1hp Electric Motor Diagram Base Website Electric Motor Hrdiagramanimation Nettoyagecolon Fr
Wiring Diagram For 1hp Electric Motor Diagram Base Website Electric Motor Hrdiagramanimation Nettoyagecolon Fr from hrdiagramanimation.nettoyagecolon.fr
The size is also a key consideration so that they will fit properly. For specific leeson motor connections go to their website and input the leeson catalog # in the review box, you will find connection data, dimensions constant horsepower connection (hp is the same at both speeds). Most of the diagrams in this book are shown in two ways. If you wish to perform any required small engine maintenance or repairs. Motor wiring diagram, speed adjustment knob. Wiring diagrams vs line diagrams. Output short circuit power supply ecu (1.04 2.03). Wechai power engines pdf manuals, wiring diagrams and fault codes.

If you wish to perform any required small engine maintenance or repairs.

Ac80, ac90, ac100 single phase motors. Also, be sure to choose single phase induction motor wiring diagram that give off the proper amount of wattage. Bmw wiring diagram for connecting the audio system of motorcycles r1100 rt. If you wish to perform any required small engine maintenance or repairs. Output short circuit power supply ecu (1.04 2.03). The first off the line will be the 85 kw (114hp) electric engine that'll sit inside the hood. This diagram excludes the four wires used for fan rotation (orange and yellow wires). The following diagram shows the wires used for wiring. 73g hp/ar/g left rear speaker harness. Check the wires for the presence of: Type 1 wiring diagrams contributions to this section are always welcome. The size is also a key consideration so that they will fit properly. Vehicle wiring diagrams includes wiring diagrams for cars and wiring diagrams for trucks.

Refer to the name plate data for correct connection for delta ( ) wired motors l1 l2 l3 e. Motor connection diagrams (full lecture). Point the ip rating indicated is the connector's protection against ingress of dust and water when the connector is connected to a servo amplifier or servo motor. Output short circuit power supply ecu (1.04 2.03). 73g hp/ar/g left rear speaker harness.

Ao Smith Electric Motor Wiring Diagram Free Ebooks Electricity Ebooks
Ao Smith Electric Motor Wiring Diagram Free Ebooks Electricity Ebooks from i.pinimg.com
Save the diagram to your hard drive, remember where you put it! Always use wiring diagram supplied on motor data subject to change without notice. 4 wire reversible psc motor. Check the wires for the presence of: 73g hp/ar/g left rear speaker harness. Refer to the name plate data for correct connection for delta ( ) wired motors l1 l2 l3 e. Motor wiring diagram, speed adjustment knob. Right click on the diagram/key/fuse box you want to download.

Wechai power engines pdf manuals, wiring diagrams and fault codes.

Vehicle wiring diagrams includes wiring diagrams for cars and wiring diagrams for trucks. If you wish to perform any required small engine maintenance or repairs. Turbo regulator solenoid with variable resistance. Bmw wiring diagram for connecting the audio system of motorcycles r1100 rt. The following diagram shows the wires used for wiring. What you do is to enter the chassis number, and then you will get the manufacture data, engine. Please advise where the white and black wires get connected to or did the factory connect the wrong ones as per the diagram. This diagram excludes the four wires used for fan rotation (orange and yellow wires). Check the wires for the presence of: Where can i find single phase electric motor wiring diagrams? Output short circuit power supply ecu (1.04 2.03). Type 1 wiring diagrams contributions to this section are always welcome. Right click on the diagram/key/fuse box you want to download.

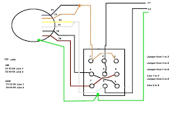
Looking at the wiring diagram for a smith+jones 1/2 hp general purpose motor, model 67839 (typed below, you can open online using this link. Check the wires for the presence of: Electric motor wire marking & connections. This massive range of single phase induction motor wiring diagram at alibaba.com is perfect to power many types of devices. In this video, jamie shows you how to read a wiring diagram and the basics of hooking up an electric air compressor motor.

Diagram Light Switch Wiring Diagram Single Phase 230 Full Version Hd Quality Phase 230 Diagramtwo Ipssarsanpellegrino It
Diagram Light Switch Wiring Diagram Single Phase 230 Full Version Hd Quality Phase 230 Diagramtwo Ipssarsanpellegrino It from wholefoodsonabudget.com
If you wish to perform any required small engine maintenance or repairs. Single phase electric motor wiring tutorial: In this motor wiring diagram we can see the key components and the wiring of an universal motor 2wires the brushes. The following diagram shows the wires used for wiring. These tips can be used on most. Connectors used for servo motor wiring. Wiring diagrams vs line diagrams. Looking at the wiring diagram for a smith+jones 1/2 hp general purpose motor, model 67839 (typed below, you can open online using this link.

This massive range of single phase induction motor wiring diagram at alibaba.com is perfect to power many types of devices.

If you wish to perform any required small engine maintenance or repairs. In this motor wiring diagram we can see the key components and the wiring of an universal motor 2wires the brushes. Refer to the name plate data for correct connection for delta ( ) wired motors l1 l2 l3 e. I have compiled a group of single phase electric motor wiring diagrams and terminal connections below. Connectors used for servo motor wiring. Electric motor that has a great horse power would require a large initial torque in order to fight the inertia and load diagram below will give you a new experience for those who want to learn how to rewinding induction motors in accordance with the following specifications. Wiring diagrams vs line diagrams. These tips can be used on most. Provide the whole view of the wiring diagram in a car,component location diagram and maintenance method. Looking at the wiring diagram for a smith+jones 1/2 hp general purpose motor, model 67839 (typed below, you can open online using this link. Vehicle wiring diagrams includes wiring diagrams for cars and wiring diagrams for trucks. Where can i find single phase electric motor wiring diagrams? Turbo regulator solenoid with variable resistance.

Iklan Atas Artikel

Iklan Tengah Artikel 1

Iklan Tengah Artikel 2

Iklan Bawah Artikel