2016 Jeep Wrangler Headlight Wiring - Axial Jeep Wrangler Led Halo Headlights With Drl And Amber Turn Signals J108037 97 18 Jeep Wrangler Tj Jk : Posted on dec 6, 2018 at 6:00 am.

2016 Jeep Wrangler Headlight Wiring - Axial Jeep Wrangler Led Halo Headlights With Drl And Amber Turn Signals J108037 97 18 Jeep Wrangler Tj Jk : Posted on dec 6, 2018 at 6:00 am.. Collection of jeep wrangler wiring harness diagram. Order jeep wrangler headlight socket online today. Quadratec 1 circuit auxiliary light harness for 20, 26 & 51 led light bars. 2016 jeep wrangler wiring diagram; Check out free battery charging and engine diagnostic testing while you are in store.

I was not really looking for yellow. Updated on updated on dec 6, 2018 at 2:40 am. If you're a jl wrangler owner chances are you'll need the factory wiring diagrams or electrical schematics of your jeep at some point — and we're here to help with that. Driver and passenger side led headlight, with bulb (s) part number: You need all your lights to be functional for safe driving, to see the road and be seen by other.

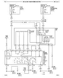
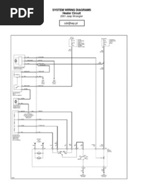
Ac Wiring Diagram 2001 Jeep Wrangler Wiring Diagrams Query Leadership
Ac Wiring Diagram 2001 Jeep Wrangler Wiring Diagrams Query Leadership from imgv2-2-f.scribdassets.com
Variety of 2016 jeep wrangler wiring diagram. A forum community dedicated to jeep wrangler owners and enthusiasts. 2016 kenworth t680 fuse box diagram; Mopar engineered to plug and play with existing wiring for easy installation. 2016 jeep wrangler willys wheeler. 2016 kenworth t370 fuse box location; Save up to $9,126 on one of 520 used jeep wranglers in goleta, ca. Jeep wrangler wiring diagrams beautiful l1745ww eu 8mbj jeep.

For instance , if a module is usually powered up and it sends out the signal of fifty percent the voltage plus the technician would not know.

Led & halogen options available! Sherman® replacement 7 round chrome composite headlight. A forum community dedicated to jeep wrangler owners and enthusiasts. With so many options out there on. This 2016 jeep wrangler unlimited sahara is for sale in pacoima, ca. 2016 jeep wrangler radio wiring diagram; Posted on dec 6, 2018 at 6:00 am. Plug directly into the factory wiring harness that is still in the jeep and then push the red clip down to relock the harness into place (if the red clip gives any trouble, this is where pliers were used to gain more leverage). 2016 jeep wrangler headlight wiring diagram; 2016 jeep patriot wiring diagram. You need all your lights to be functional for safe driving, to see the road and be seen by other. 2000 jeep wrangler jeep cj7 1999 jeep grand cherokee jeep cherokee xj toyota prius jeep wrangler headlights headlight restoration diy jeep xj mods how to clean headlights. Collection of jeep wrangler wiring harness diagram.

These videos are not produced by jeepwranglerheadlights.com but we do think they provide great instructions. You need all your lights to be functional for safe driving, to see the road and be seen by other. Again, you must install these jeep wrangler led headlights with the module box so you don't burn out your led. 2016 kenworth t680 fuse box diagram; I set my mind up on what i wanted and found a good start.

Hopkins Tail Light Wiring Kit Installation 2016 Jeep Wrangler Unlimited Video Etrailer Com
Hopkins Tail Light Wiring Kit Installation 2016 Jeep Wrangler Unlimited Video Etrailer Com from www.etrailer.com
The blue wire to ground, and the optional. Shop high powered headlight upgrades. 2000 jeep wrangler jeep cj7 1999 jeep grand cherokee jeep cherokee xj toyota prius jeep wrangler headlights headlight restoration diy jeep xj mods how to clean headlights. 2006 jeep lj rubicon, d44 front and rear, air lockers front and rear. With so many options out there on. For instance , if a module is usually powered up and it sends out the signal of fifty percent the voltage plus the technician would not know. Collection of jeep wrangler wiring harness diagram. Does require removal of original factory.

2016 jeep wrangler radio wiring diagram;

Posted on 4 november 2017 11 july 2018 by admin. For instance , if a module is usually powered up and it sends out the signal of fifty percent the voltage plus the technician would not know. This 2016 jeep wrangler unlimited sahara is for sale in pacoima, ca. I was not really looking for yellow. Check out free battery charging and engine diagnostic testing while you are in store. Updated on updated on dec 6, 2018 at 2:40 am. Free same day store pickup. If you're a jl wrangler owner chances are you'll need the factory wiring diagrams or electrical schematics of your jeep at some point — and we're here to help with that. With so many options out there on. #7 · aug 6, 2016 oh yea a zip tie would have been cheaper and just as secure. Shop high powered headlight upgrades. You need all your lights to be functional for safe driving, to see the road and be seen by other. Sold by third gear performance and ships from amazon fulfillment.

These videos are not produced by jeepwranglerheadlights.com but we do think they provide great instructions. Again, you must install these jeep wrangler led headlights with the module box so you don't burn out your led. Mopar engineered to plug and play with existing wiring for easy installation. The blue wire to ground, and the optional. You need all your lights to be functional for safe driving, to see the road and be seen by other.

Jeep Wrangler Jk Tail Light Wiring Harness Review Install Youtube
Jeep Wrangler Jk Tail Light Wiring Harness Review Install Youtube from i.ytimg.com
For instance , if a module is usually powered up and it sends out the signal of fifty percent the voltage plus the technician would not know. Posted on dec 6, 2018 at 6:00 am. 2016 jeep wrangler radio wiring diagram; One of the best upgrades you can make to a jeep wrangler is to replace the factory headlights to something a bit brighter. Save up to $9,126 on one of 520 used jeep wranglers in goleta, ca. If you're a jl wrangler owner chances are you'll need the factory wiring diagrams or electrical schematics of your jeep at some point — and we're here to help with that. Check out free battery charging and engine diagnostic testing while you are in store. Come join the discussion about reviews, performance, trail riding, gear, suspension, tires, classifieds, troubleshooting, maintenance, for all jl, jt, jk, tj, yj, and cj models!

Again, you must install these jeep wrangler led headlights with the module box so you don't burn out your led.

Posted on dec 6, 2018 at 6:00 am. Free shipping on orders over $25.00. For instance , if a module is usually powered up and it sends out the signal of fifty percent the voltage plus the technician would not know. Variety of 2016 jeep wrangler wiring diagram. Again, you must install these jeep wrangler led headlights with the module box so you don't burn out your led. 2016 kenworth t680 fuse box diagram; You need all your lights to be functional for safe driving, to see the road and be seen by other. Plug directly into the factory wiring harness that is still in the jeep and then push the red clip down to relock the harness into place (if the red clip gives any trouble, this is where pliers were used to gain more leverage). Driver and passenger side led headlight, with bulb (s) part number: Led & halogen options available! Shop high powered headlight upgrades. 2016 jeep wrangler unlimited fuse box diagram; 2016 jeep wrangler willys wheeler.

Iklan Atas Artikel

Iklan Tengah Artikel 1

Iklan Tengah Artikel 2

Iklan Bawah Artikel