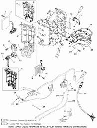
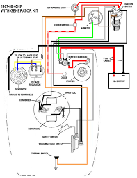
Yamaha 40Hp 2 Stroke Wiring Diagram / Yamaha 40 Wiring Diagram Wiring Diagram Mug Thank Mug Thank Erbapersa It / Dry all wiring and electrical components using compressed air.

Yamaha 40Hp 2 Stroke Wiring Diagram / Yamaha 40 Wiring Diagram Wiring Diagram Mug Thank Mug Thank Erbapersa It / Dry all wiring and electrical components using compressed air.. There are two preset encoder modes, pan and aux, and two assignable modes, for which you can choose from over 40 parameters. A downloadable yamaha 40hp outboard repair manual is a digitally transmitted instruction book that details the procedures of maintaining and repairing an outboard motor. In 1916, taraguchi yamaha dies, but the business he founded continues to live under the direction need the wiring diagram for a lance havana classic 200i 2018 scooter due to the continuous running of my fuel pump. The numerical spec maintenance specifications electrical model item unit 40 hp 50 hp ignition timing. The exact function of each encoder depends on the selected layer and encoder mode.

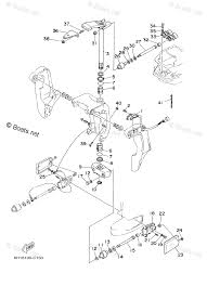
A downloadable yamaha 40hp outboard repair manual is a digitally transmitted instruction book that details the procedures of maintaining and repairing an outboard motor. Dry all wiring and electrical components using compressed air. 135 functional diagram of a typical cranking circuit fig. It is not possible to include all the knowledge of a mechanic in one manual. Symbol g to j in an exploded diagram indicate grade of lubricant and location of lubrication point:

Diagram Yamaha 40 Hp 2 Stroke Outboard Wiring Diagram Picture Full Version Hd Quality Diagram Picture Modexwiring Lafabbricadegliingegneri It
Diagram Yamaha 40 Hp 2 Stroke Outboard Wiring Diagram Picture Full Version Hd Quality Diagram Picture Modexwiring Lafabbricadegliingegneri It from modexwiring.lafabbricadegliingegneri.it
Yamaha at2 125 electrical wiring diagram schematic 1972 here. A disassembly installation job mainly consists of the exploded diagram 1. 1988 91 70 90 hp yamaha power ti and trim youtube. It is not possible to include all the knowledge of a mechanic in one manual. 135 functional diagram of a typical cranking circuit fig. Always read your owner's manual before using the outboard and be sure to use it properly. Further yamaha f300 wiring diagram likewise 539850 1996 yamaha 70hp. The exact function of each encoder depends on the selected layer and encoder mode.

Yamaha 40 50 hp 2 stroke outboard service manual cd.

40hp 2 stroke engine diagram. A disassembly installation job mainly consists of the exploded diagram 1. Always read your owner's manual before using the outboard and be sure to use it properly. Dry all wiring and electrical components using compressed air. Yamaha outboards 2 90 hp two strokes 1999 2002 clymer manuals motorcycle repair penton staff. Covers yamaha outboard yamaha outboard 2stroke & 4stroke covers yamaha outboard 1 2 3 & 4 oil inj ection warning system 25. Symbol g to j in an exploded diagram indicate grade of lubricant and location of lubrication point: Further yamaha f300 wiring diagram likewise 539850 1996 yamaha 70hp. These manuals vary with respect to the manufacturer and in regards to the models of boat engines produced by the. Throttle position sensor hp obviously this adjustment is only for models equipped with the yamaha precision blend. Yamaha 40 50 hp 2 stroke outboard service manual cd. Therefore, anyone who uses this book to perform maintenance and repairs on yamaha. The exact function of each encoder depends on the selected layer and encoder mode.

Yamaha 1996 40 hp troubleshooting manual download, 1984 1996 yamaha all engines. Yamaha outboard wiring diagram pdf free wiring. 40hp 2 stroke engine diagram. Always read your owner's manual before using the outboard and be sure to use it properly. Yamaha at2 125 electrical wiring diagram schematic 1972 here.

Yamaha Outboard Harness Wiring Diagram Wiring Diagram Cycle Zone Cycle Zone Hoteloctavia It
Yamaha Outboard Harness Wiring Diagram Wiring Diagram Cycle Zone Cycle Zone Hoteloctavia It from i.pinimg.com
Includes yamaha outboard marine repair manuals. Further yamaha f300 wiring diagram likewise 539850 1996 yamaha 70hp. 1988 91 70 90 hp yamaha power ti and trim youtube. Direct inquiries concerning yamaha outboards to your country's distributor or local dealership. Or, just looking at the diagram of your motor.is it not on part number 38 in the. The exact function of each encoder depends on the selected layer and encoder mode. Hi need,manuel wire diagram for suzuki 50cc 1975 chopper style bike 2 stroke? 40hp 2 stroke engine diagram.

A downloadable yamaha 40hp outboard repair manual is a digitally transmitted instruction book that details the procedures of maintaining and repairing an outboard motor.

Includes yamaha outboard marine repair manuals. Yamaha outboards 2 90 hp two strokes 1999 2002 clymer manuals motorcycle repair penton staff. Recherche wirring diagrams pour un yamaha hdpi 300 2 stroke 2006 , probleme pas de feu , les injecteurs ne marche pas et la pompe a gaz non plus , je veut tester l'ecm , si possible le manuel complet serait. It is not possible to include all the knowledge of a mechanic in one manual. In 1916, taraguchi yamaha dies, but the business he founded continues to live under the direction need the wiring diagram for a lance havana classic 200i 2018 scooter due to the continuous running of my fuel pump. Started to get an alarm on sat. 40v/50h service manual ©1997 yamaha motor corporation, usa 1st edition, august 1997 all rights reserved. 1988 91 70 90 hp yamaha power ti and trim youtube. A disassembly installation job mainly consists of the exploded diagram 1. A downloadable yamaha 40hp outboard repair manual is a digitally transmitted instruction book that details the procedures of maintaining and repairing an outboard motor. Disassemble the engine starter motor and dry the brush contacts, armature and other corrodible parts. This manual was produced by the yamaha motor company, ltd. Mercury/mariner 40 hp (3 cyl.) wide open throttle rpm:

Started to get an alarm on sat. This manual was produced by the yamaha motor company, ltd. Owner manuals offer all the information to maintain your outboard motor. Symbol g to j in an exploded diagram indicate grade of lubricant and location of lubrication point: There are two preset encoder modes, pan and aux, and two assignable modes, for which you can choose from over 40 parameters.

Outboard Spares Blog Troubleshooting 2 Stroke Ignition Problems
Outboard Spares Blog Troubleshooting 2 Stroke Ignition Problems from www.outboardspares.com.au
Further yamaha f300 wiring diagram likewise 539850 1996 yamaha 70hp. Yamaha 40 50 hp 2 stroke outboard service manual cd. These manuals vary with respect to the manufacturer and in regards to the models of boat engines produced by the. Yamaha outboard e40x 40hp 2 stroke enduro 66t top cowling cover hood. It is not possible to include all the knowledge of a mechanic in one manual. Started to get an alarm on sat. Or, just looking at the diagram of your motor.is it not on part number 38 in the. Direct inquiries concerning yamaha outboards to your country's distributor or local dealership.

There are two preset encoder modes, pan and aux, and two assignable modes, for which you can choose from over 40 parameters.

Or, just looking at the diagram of your motor.is it not on part number 38 in the. Throttle position sensor hp obviously this adjustment is only for models equipped with the yamaha precision blend. Main specifications of the 40 to 25 horsepower two strokes. Covers yamaha outboard yamaha outboard 2stroke & 4stroke covers yamaha outboard 1 2 3 & 4 oil inj ection warning system 25. Always read your owner's manual before using the outboard and be sure to use it properly. Therefore, anyone who uses this book to perform maintenance and repairs on yamaha. Owner manuals offer all the information to maintain your outboard motor. A downloadable yamaha 40hp outboard repair manual is a digitally transmitted instruction book that details the procedures of maintaining and repairing an outboard motor. Mercury/mariner 40 hp (3 cyl.) wide open throttle rpm: These manuals vary with respect to the manufacturer and in regards to the models of boat engines produced by the. Disassemble the engine starter motor and dry the brush contacts, armature and other corrodible parts. Recherche wirring diagrams pour un yamaha hdpi 300 2 stroke 2006 , probleme pas de feu , les injecteurs ne marche pas et la pompe a gaz non plus , je veut tester l'ecm , si possible le manuel complet serait. Yamaha outboards 2 90 hp two strokes 1999 2002 clymer manuals motorcycle repair penton staff.

Iklan Atas Artikel

Iklan Tengah Artikel 1

Iklan Tengah Artikel 2

Iklan Bawah Artikel